Application note?
分析儀表的穩(wěn)定氣體流量控制
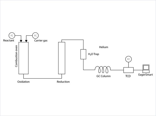
氣體質量流量控制器是質譜、色譜和燃燒分析等分析技術的關鍵部件。例如作為ICP-MS裝置的一部分,緊湊型氣體流量儀表用于向反應單元供氣。
|
![]() |
|
應用要求在許多分析應用中,一個常見的因素是需要微小的穩(wěn)定氣流(流量范圍:1-1000 mln/min),因為氣流及其變化在測量中是直接可見的,氣流穩(wěn)定很重要。在數據表上,需要短期重復性和控制穩(wěn)定性,以及多年使用的長期穩(wěn)定性。當氣體切換時,小流量下的控制響應時間變得非常重要,這要求氣體供應系統(tǒng)的內部體積較小。隨著實驗室空間變得越來越昂貴,臺式儀表流量計的緊湊性也是一個值得考慮的問題。 |
重要議題
|
工藝方案廣泛的氣體兼容性FLEXI-FLOW氣體流量控制器是一款適用于各種不同氣體類型的儀表,適用于較小氣體流量例如1-1000 mln/min的工藝氣體和高達20 ln/min的冷卻氣體(例如氬或氮)的分析儀器。 可重復長期穩(wěn)定流量控制在分析設備中,載氣流量直接影響測量結果。例如一種物質在色譜柱中的保留時間直接取決于流體的穩(wěn)定性。當流量波動時,測量也會波動。FLEXI-FLOW具有短期和長期控制穩(wěn)定性,一年后的性能和今天一樣。 |
![]() |
|
小流量氣體快速切換FLEXI-FLOW可在不同氣體之間快速切換,這是ICP-MS裝置中反應器供氣的重要功能。 在反應器中,使不需要的化合物與額外的氣體反應以消除它們。然后需要切換氣體。測量1~10 mln/min的小流量時,切換時間與質量流量控制器內部體積相關。由于FLEXI-FLOW非常緊湊,因此響應時間快于幾秒。 緊湊型FLEXI-FLOW 的小尺寸使其成為小型臺式分析儀器的理想設備。 |
![]() |





